| Szerző |
Üzenet |
Dr.OG
Tag
|
# Elküldve: 2018. Aug. 14. 15:40
Sziasztok!
Elnézést, amiért rögtön első hozzászólásommal új topictot nyitok!
Nemrég Vateráztam egy Amiga 500-ast, a legnagyobb problémám az volt, hogy az adatátvitelt hogyan oldjam meg PC-ről. Az Amiga Mánia 2. számában van ugyan egy cikk "Adatcsere Amiga és PC között" címmel, ez a PCMCIA-CF kombó alkalmazását taglalja, ami Amiga 500(+) modell esetén sajnos nem járható út. Szerencsére a témának kiterjedt szakirodalma van az interneten, hardverigényük elenyésző, általában speciális kábel elkészítése szükséges hozzájuk, ami viszont filléres alkatrészekből megoldható, ha tudunk forrasztani. Az alább szereplő módszereket kipróbáltam magam is, mindegyik működőképes.
Jöjjön hát a felsorolás, a technikai részletek-beállítások aprólékos ismertetését mellőzném, inkább csak áttekintést kívánok nyújtani a lehetőségekről, illetve a legszükségesebb információkat (kábelkapcsolások) megosztani. Természetesen az érdeklődők a linkekre kattintva bővebben elmélyedhetnek az őket érintő megoldásokban!
1. ADTWin

http://m1web.de/ADTWin/
Gyors (kb. 40 másodperc egy lemez, tehát a leggyorsabb) alkalmazás, hozzátenném, hogy ellenőrzés nincs benne, tehát nem garantált, hogy az elkészült lemez hibátlan lesz! Szerintem zseniális megoldás, hogy floppyvezérlőként használja a párhuzamos portot, le a kalappal! Az ismertető nagyon alapos, még a házilag készítendő, speciális (parallel port-FDD) szalagkábel vágására is kitér, a floppycsatlakozók különbségeire képekkel, és szájbarágósan Windows verziónként lebontva a kompatibilitási problémák elhárítására. Hiába, a német precizitás... Hátránya, hogy csak írni lehet ezzel a módszerrel, olvasni nem. Hardverigénye az Amiga 500-on kívül párhuzamos porttal rendelkező Windows PC (ha nincs PP az alaplapon, PCI-os kártya is megteszi), és 3,5-ös floppymeghajtó (végszükség esetén az Amiga belső drive-ját is használhatjuk). Én ezzel kezdtem, mivel az egyéb módszerekhez szükséges lemezek (pl. Workbench 1.3, vagy a párhuzamos átvitel bootlemeze) nem álltak rendelkezésemre.
2. Soros átvitel nullmodem kábellel, Amiga Explorer segítségével

http://www.amigaforever.com/ae/
http://darioportfolio.com/tutorial/amiga_adf.html
Az amigaforever által is propagált, 'hivatalos' módszer. Shareware program, ingyen kipróbálható működésbeli korlátozások nélkül. A kábel házilag könnyen elkészíthető, minimum 7-eres vezeték (UTP kábel is megteszi), valamint egy DB-9-es (PC felé) és egy DB-25-ös (Amiga felé) anya csatlakozó szükséges hozzá, de akár készen is vásárolható, ha valaki nem szeretne a forrasztással bíbelődni. Támogatja a legújabb Windows verziókat is. Kényelmes megoldás, ami írni-olvasni egyaránt tud, még a Kickstart ROM-ok és a RAM disk tartalmát is le lehet vele menteni. Hátránya, hogy lassú, kb. 8 perc egy teljes lemeznyi adat átvitele. Hardverigénye az Amigán kívül (bővítetlen is jó, tehát elég neki az alap 512kB RAM) egy soros porttal rendelkező PC (az új alaplapokon ez sokszor nincs kiépítve, de általában megtalálható tüskesor formájában, ezt egyszerű kivezetni a hátlapra), valamint Workbench 1.2/1.3-as lemez. Lassúsága miatt nem ajánlom.
3. Párhuzamos kábel használata

http://www.amibay.com/showthread.php?32405-The-fastest-eaysiest-cheapest-way-to-trans fer-adf-images-between-pc-and-amiga-500!
https://www.ebay.com/itm/Amiga-Pc-ADF-File-to-3-5-Disk-Parallel-cable-Transfer-Kit-Ea sy-Fast-Cheap-/272363110828
Ez az előző két módszer előnyeit ötvözi: gyorsabb, mint a soros átvitel (kb. másfél perc egy lemez), de lassabb, mint az első metódus. Cserében írni-olvasni is lehet vele, és a kényelmesebbek egységcsomagban (kész kábelt és előtelepített floppyt tartalmaz) is megrendelhetik a készletet aránylag korrekt áron. Maga a kábel házilag is könnyen elkészíthető, mindössze 2db DB-25-ös apa csatlakozóra, és egy legalább 10 eret + árnyékolást tartalmazó vezetékre van hozzá szükség (én 12-eres riasztókábelt használtam). Figyelem, az elkészült kábel "polarizált", ami azt jelenti, hogy fordítva bedugva nem fog működni, még készítéskor érdemes megjelölni, hogy melyik vége megy az Amigába, és melyik a PC-be! Maga a program szinte bármelyik Windows verzió alatt működik, párhuzamos port megléte szükséges (annak hiánya esetén PCI-os vagy PCI-E-s PP kártya beszerzése elengedhetetlen). Amiga oldalon szükséges még egy speciális boot disk, ami ingyen letölthető, vagy pénzért a kábellel együtt megrendelhető (lásd fentebb).
4. Külső floppyillesztő alkalmazása
http://www.ianstedman.co.uk/Amiga/designs/Floppy_Adaptor_V2/floppy_adaptor_v2.html
Ez abban az esetben ad lehetőséget PC-s file átvitelre, ha valamilyen USB-ről vagy memóriakártyáról működő, modern lemezhelyettesítő alternatívát használunk, pl. Gotek (Amiga Mánia 8. és 12. száma ír róla) vagy HxC (Amiga Mánia 5.). Ebben az esetben elegendő sima átkötéseket alkalmazó kábel megépítése (egyik vége szabványos, 34-tűs 3,5"-es floppy adatcsatlakozó, a másik a szinte beszerezhetetlen DB-23-as apa, ezt DB-25-ből faragtam lemezollóval és fűrésszel).

Ezekhez nem kell sem a motor jel, sem a 12V tápfesz! Én FlashFloppy firmware-s Gotekkel használtam, az 'X-COPY the next generation' 1994-es verziójával a 'Lock Floppies' opció bekapcsolása után a penrive-ra PC-n felmásolt ADF-ek tartalmát ki tudtam írni valódi 3,5"-ös lemezre, és az ADF-ek felülírásával visszafelé is működött a folyamat. Egy lemez átvitele kb. 2-3 percet vesz igénybe ezzel a módszerrel, ha az ellenőrzés (Verify) be van kapcsolva. Legnagyobb előnye, hogy nem kell egy működőképes PC-t magunkkal cipelni, mint az első 3 módszer esetén. Hátránya, hogy ez a legdrágább megoldás a fentebb taglaltak közül, bár a Gotek ára nem annyira vészes, főleg, ha magunk flasheljük a firmware-t. Ha nem akarunk ezzel vacakolni, készen is rendelhetjük több webshop-ból. A megvásárolt hardveres floppy emulátor a későbbiekben is jól használható, akár a belső floppy kiváltására is, ha az végleg megadja magát. Első használatához (adatátvitel szempontjából) Workbench lemez vagy X-COPY floppyn szükséges.
Csak érdekességként említem meg, hogy olyan 5,25"-ös "nagy" floppyhoz is alkalmazható a fenti passzív kábel, amelyik 12V-ról kapja a motor működtetéséhez szükséges feszültséget (szinte mindegyik ilyen), és megfelelően jumperelhető (pl. Panasonic JU-475-4: PH->1M, TM->BX és DC->NDO).

Magam próbáltam, sima 48 TPI-s DS DD-s lemezt szépen formáz 880k-ra, HW mod-ot követően bootol is róla, még a trackloaderes cuccok is szépen futnak (Sanity-Arte demóval próbáltam) - de ez már egy másik történet.
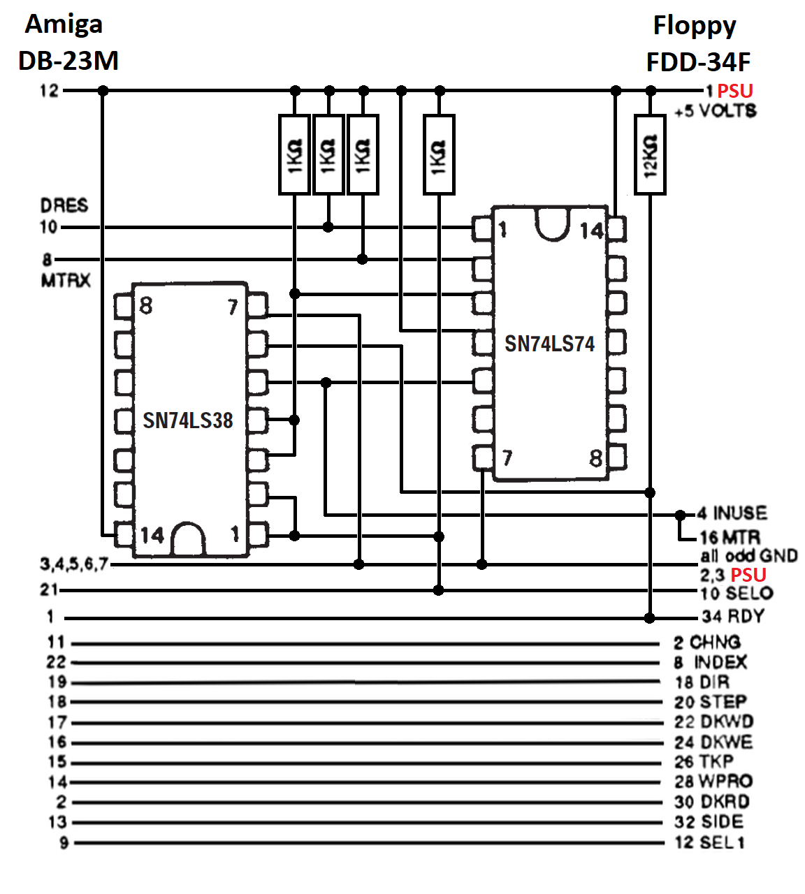
Csak a teljesség kedvéért: Külső 3,5"-ös floppy illesztéséhez mindenképpen kell aktív külső elektronika a motorvezérlés miatt! Ha valakinek van eredeti Amiga FDD külső háza, az ezt tartalmazza, ha nincs, rendelhető netről, vagy magunknak kell összedobni! Erről több helyen található infó, ami nálam működik, az egy 2 IC-t (egy flip-flopot és egy NAND puffert) és 5 ellenállást (4x1K + 1x12K) tartalmazó megoldás innen:
http://www.primrosebank.net/computers/amiga/upgrades/amiga_upgrades_storage_fd_con.ht m
Az áramkör alsó részét nem építettem ki, bár még két 1 Kilós ellenállás és további 'keresztkötések' beiktatásával rögtön 2 küldő drive-ot is tudnék csatlakoztatni, de akkor az alábbi ábra már áttekinthetetlenül bonyolult lenne.
A kapcsolási rajzot kicsit átdolgoztam, a DIP-14-es tokozású IC-ket így kell bekötni:

A floppy drive oldalon az összes páratlan tüskét földelni kell, az 5V pedig a tápcsatlakozó 1-es lábára kerüljön (piros vezeték). A 12V bekötésétől eltekinthetünk, mivel a 3,5”-ös FDD-k nem igénylik. A 74LS38-as IC „fejjel lefelé” van, ennek oka, hogy így praktikusabb összekötni a 74LS74-gyel, ugyanis mindkettőnek főleg a bal oldala van használva. Amennyiben az LS verziót nem tudjuk beszerezni, a HCT változat is megfelel helyette, ezek akár kombinálhatóak is egymással. A fenti megoldás hátránya, hogy csak Amigás floppymeghajtókkal működik.
Sajnos a PC-s floppykat, ha Amigával szeretnénk használni, MODdolni kell, és nem mindegyik alkalmas a beavatkozásra. Néhány modell, a szükséges módosításokkal:
http://jope.fi/drives/
Én Sony MPF 420-1-et tudtam beszerezni, azzal kiválóan működik:
http://jope.fi/drives/mpf420-1/
Vagy meg lehet próbálni speciális illesztő elektronikát is építeni (ezt nem teszteltem):
https://www.salkin.co.uk/~wiki/index.php/Amiga_Ext_fdd
Esetleg vásárolni webshopból
|
Chain-Q
Divatamigás
|
# Elküldve: 2018. Aug. 14. 17:47
Ezt az osszefoglalot koszonjuk, remek. Bar dh1 valszeg szova teszi majd hogy egy ilyen minosegu cikk miert nem az Amiga Maniaba szuletett.. :)
|
dh1
Mr. DTP
|
# Elküldve: 2018. Aug. 14. 17:59
Valoban, toroljuk es johet a kovetkezo szamba! :) hehe
|
dino
Kék troll
|
# Elküldve: 2018. Aug. 14. 19:34
Szuper leiras, koszonjuk a tapasztalatokat.
|
Dr.OG
Tag
|
# Elküldve: 2018. Aug. 14. 20:04
Quoting: charlie Ezt az osszefoglalot koszonjuk, remek. Bar dh1 valszeg szova teszi majd hogy egy ilyen minosegu cikk miert nem az Amiga Maniaba szuletett.. :) Sziasztok!
Köszönöm, jól esnek a dicsérő szavak. Megtiszteltetés lenne számomra, ha a következő Amiga Mániában megjelenne ez a kis összefoglaló. Ha igény van rá, és szükséges, csinálok pár screenshot-ot is, vagy fotót a kábelekről stb...
Valószínűleg számotokra nem sok újdonság van benne, de én nem vagyok tősgyökeres Amigás, annak idején C128-cal kezdtem, de az esetek 95%-ában C64-kompatibilis módban, játékra használtam. Aztán 'sajnos' a PC következett, egyik általános iskolás osztálytáramnak viszont volt Amigája, azóta szerettem volna egyet, de a munka és a család stb... miatt csak most került rá sor.
Elsősorban az újoncok dolgát szerettem volna megkönnyíteni, hogy nekik ne kelljen napokig-hetekig túrni a netet, és kísérletezni a különféle lehetőségekkel.
Hála az internetnek minden szükséges információ megtalálható a moddoláshoz/bővítéshez, ez a fórum is kitűnő! Eddig SCART kábelt, 4-játékos adaptert párhuzamos portra (Dyna Blaster rulez!), valamint átkapcsolható slow<->chip RAM bővítőt és df1 boot kapcsolót készítettem hozzá, valamint egy RGB->YUV átalakítót, amit eredetileg FPGA-hoz és EP128-hoz szántam (akkor még nem volt meg az A500), de szépen megy Amigával is. Utóbbiról tapasztalatok itt:
https://enterpriseforever.com/hardver/rgb-gtyuv-atalakito/
Üdv mindenkinek: Gábor
|
dh1
Mr. DTP
|
# Elküldve: 2018. Aug. 14. 23:00
Dr.OG, tul van targyalva, johetnek a kepek is! koszi a cikket! akar ki is bovitheted a fentihez kepest! yeah!
|
Dr.OG
Tag
|
# Elküldve: 2018. Aug. 15. 05:26
OK, köszi!
Még a héten csinálok pár fotót (a faragott DB-25-ről és a kész külső floppyelektronikáról mindenképpen, a többi kábel kevésbé látványos), screenshot-okat a beállításokról, a módszereket meg egy-egy rövid magyar lépésről-lépésre leírással egészíteném ki.
Küldhetem a profilodban szereplő E-mail címre?
Milyen formátum legyen? PDF megfelel?
Üdv: Gábor
|
dh1
Mr. DTP
|
# Elküldve: 2018. Aug. 15. 05:47
Jajjj, ne ;) kepeket kulon, ha lehet ne 90kbyte jpg legyen, este vaku nelkul ;) Illetve a szoveget vmilyen doc formatumban please! :) Cim Alcim Lead Szoveg tagolasban a szoveget Nincs karakter szam limit... Bar Revai lexikon meretet hanyagoljuk please ;) Nagy koszi!
|
Dr.OG
Tag
|
# Elküldve: 2018. Aug. 15. 07:01
OK, csinálom!
|
Yellow Dog
Tag
|
# Elküldve: 2018. Aug. 16. 08:24 - Szerkesztve: yellowdog
Csak a pontosság kedvéért, ha jól értelmezem, ezen megoldások (kizárólag) az ADF illetve lemeztartalom átvitelében hivatottak segíteni, tehát nem a klasszikus értelemben vett általános fájl illetve adatátvitelt valósítják meg.
|
Dr.OG
Tag
|
# Elküldve: 2018. Aug. 16. 10:50
Többségük igen, pont ez a lényeg, hogy egy alap, bővítetlen Amiga 500-assal is megy a dolog, ahol nem sok más alternatíva létezik (most tekintsünk el a méregdrága turbó kártyák kínálta bővítésektől).
Kivétel a 2. pontban említett soros átvitel Amiga Explorerrel, ez szerintem még HDD-vel is működik (RAM diskkel biztosan).
|
dh1
Mr. DTP
|
# Elküldve: 2018. Aug. 16. 14:54
ez olyan mintha lenne egy masik Amigas kontaktod, mint a regi szep idokben :)
|
Yellow Dog
Tag
|
# Elküldve: 2018. Aug. 17. 08:54 - Szerkesztve: yellowdog
A régi szép időkben... hmm... na igen, micsoda idők voltak... :-)
Kicsit jobban belenéztem melyik micsoda, így már rémlik az Amiga Explorer verzió, mintha próbáltam volna. Illetve 96-ban nekem valami TwinExpress rémlik, mintha azzal nyomtam volna át (egy fél nap alatt) az Amiga dolgaimat (kb 500MB-ot) PC-re, hogy aztán CD-re kerülhessen mindenem, de szép idők voltak ;-)
|
dino
Kék troll
|
# Elküldve: 2018. Aug. 17. 09:09
Valamikor Amiga = Amiga kozott masolgattam a filejaimat, parhuzamos kabellel, ParNet progival, de eleg lassu volt, viszont mukodott szepen. Tenyleg a soros port joval gyorsabb erre a celra, van is valahol talan kabelem hozza. Milyen programot javasoltok hozza? Tehat Amiga = Amiga es soros porthoz.
|
Yellow Dog
Tag
|
# Elküldve: 2018. Aug. 17. 09:18
A beépített soros port tuti, hogy nem gyorsabb!
|
AmigaOne500Plus
Tag
|
# Elküldve: 2018. Aug. 17. 11:20 - Szerkesztve: amigaone
www.charlemagne.hu
WORK:Hobby/Electro
NULL Modem kábel (PC <-> Amiga ) - mi kell hozzá - hogy kell forrasztani - ADF Sender Terminal (kb. 5-6 perc egy ADF) - Video: Amiga Explorer (fileok-at, ROM-ot, ADF-et)
WORK:Hobby/Commodore ... Commodore Amiga 500
- Video: ADF Sender Terminal -> Transdisk (No More Lemmings)
|
ratman
Kék troll
|
# Elküldve: 2018. Aug. 17. 21:26
... régen az igazán kemény arcok - mint én :D - nullmodem kábelt és twinexpresst használtunk. :D ... ami egyébként még mindig működik, pedig, nem mai stuff, cirka huszonhat éves. :D
|
Dr.OG
Tag
|
# Elküldve: 2018. Aug. 18. 06:12
Quoting: dh1 Jajjj, ne ;) kepeket kulon, ha lehet ne 90kbyte jpg legyen, este vaku nelkul ;) Illetve a szoveget vmilyen doc formatumban please! :) Cim Alcim Lead Szoveg tagolasban a szoveget Nincs karakter szam limit... Bar Revai lexikon meretet hanyagoljuk please ;) Szia!
Elküldtem a cuccot a profilodban lévő E-mail címre, remélem megkaptad...
Üdv: Gábor
|
dh1
Mr. DTP
|
# Elküldve: 2018. Aug. 18. 08:00
Thx, meg!
|
Yellow Dog
Tag
|
# Elküldve: 2018. Aug. 18. 13:15
Quoting: ratman igazán kemény arcok - mint én :D - nullmodem kábelt és twinexpresst használtunk Akkor jól emlékeztem, én mint kemény(???) arc :-D
|
dino
Kék troll
|
# Elküldve: 2018. Aug. 18. 16:29
de kemenyek vagytok...:)
|
Dr.OG
Tag
|
# Elküldve: 2019. Jan. 06. 11:04
Quoting: Dr.OG ...minden szükséges információ megtalálható a moddoláshoz/bővítéshez, ez a fórum is kitűnő! Eddig SCART kábelt, 4-játékos adaptert párhuzamos portra (Dyna Blaster rulez!), valamint átkapcsolható slow<->chip RAM bővítőt és df1 boot kapcsolót készítettem hozzá... Küldtem dh1-nek E-mailben egy barkácsolós cikket is a fentieket részletezve. Még egy képminőség-összehasonlító tesztet is szeretnék mindenképpen, de az már csak a következő 6-hónapos tervbe fér bele...
|
dh1
Mr. DTP
|
# Elküldve: 2019. Jan. 06. 14:43
igen, megerkezett! szuper a cikk! termeszetesen megy a lapba! nagy koszi! :)
|
Dr.OG
Tag
|
# Elküldve: 2019. Feb. 13. 06:40
Sziasztok!
Megjöttek Kínából a Dymo feliratozómhoz rendelt spec. szalagok, kicsit garázdálkodtam velük korábbi barkácsolásaimon, íme az eredmény (dh1: a legutóbbi írásom 8-as képét [08_kapcsoló2.jpg] erre cserélheted, ha te is jónak látod). Szinte professzionálisnak hat az eredmény!

|
Peti
Tag
|
# Elküldve: 2019. Feb. 13. 14:20
Dr.OG: penge lett!
|
Yellow Dog
Tag
|
# Elküldve: 2019. Sze. 19. 12:41 - Szerkesztve: yellowdog
Eléggé leült a téma, szóval egy kis időtöltés... ráadásul Asm ujjgyakorlatnak sem rossz ;-)
Első eredmények, A1200 + 4MB Fast RAM esetén: PC -> Amiga RAM: kb. 80kByte/s PC -> Amiga DH1: kb. 35kByte/s (Kingston 2GB CF kártya)
Illetve közvetlen memóriába (Fast RAM) írás esetén kb. 104kByte/s
|
Dr.OG
Tag
|
# Elküldve: 2019. Sze. 20. 05:16
Király, profi vagy!!!
|
Yellow Dog
Tag
|
# Elküldve: 2019. Sze. 20. 11:56 - Szerkesztve: yellowdog
Kicsit haladtam... A nem titkolt célom egy Amiga Explorer szerű alternatíva, a soros port adta sebességnél lényegesen gyorsabb kapcsolat megvalósítása.
|
Dr.OG
Tag
|
# Elküldve: 2019. Sze. 20. 13:06
Szuper lenne...
Hardverigény (mármint az illesztőé)?
|
Yellow Dog
Tag
|
# Elküldve: 2019. Sze. 20. 14:36 - Szerkesztve: yellowdog
Egy FT245RL modult illesztettem a parallel portra + egy TTL kapu IC, ez volt most a leggyorsabban kivitelezhető hardver. Egyébként PIC-el a clock-portra is el szeretném készíteni, ott még nagyobb sebesség érhető el, illetve van még egy távolabbi tervem, de az egyelőre titok ;-) És még ez sincs készen, időtöltésnek viszont jó, már csak programozgatni kell PC és Amiga oldalon is, a hw fejlesztésre nincs most időm illetve lehetőségem. Egyébként ebből az FT245 verzióból is lehetne "készterméket" készíteni, elméletileg beleférhet akár egy DSUB25 csatlakozóházba. Viszonylag olcsó, könnyen kezelhető és az árához képest, meg amúgy is... elfogadható sebességű kapcsolatot biztosítana az Amiga számára a külvilág felé, úgy értem fájl mozgatás tekintetében.
|